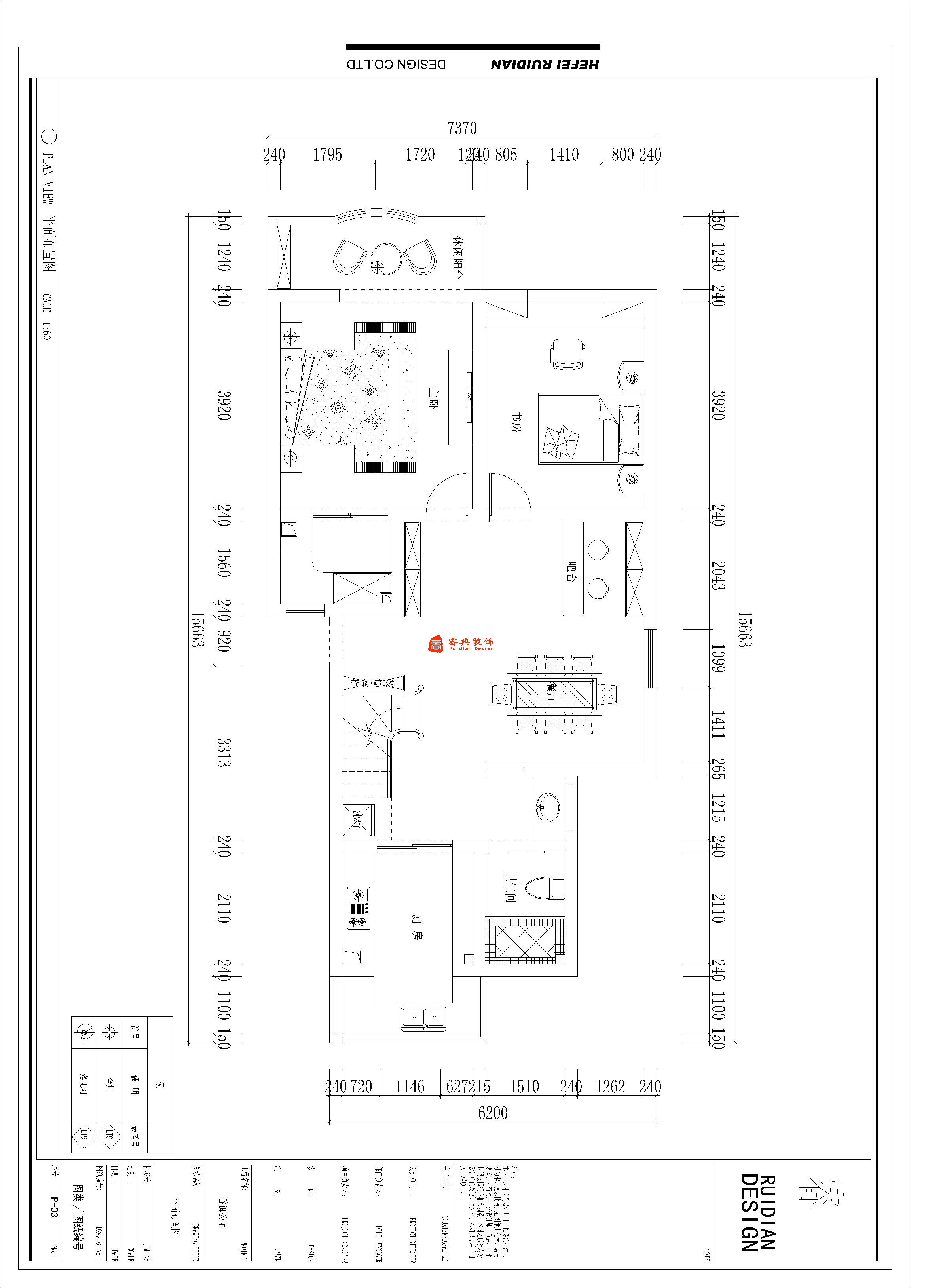
户型:三房二厅一厨二卫(复式房)
面积:180平方
设计风格:现代简约
开工日期:2014.3.16日10点28分
先上原始图
一楼

二楼原始图

经过谈总监和业主反复沟通的平面方案(结合自己切身需求哈)

先来张一楼餐厅效果图

过道

近距离看屏风隔断镂空的隔断很好看吧

二楼效果图

卧室

开工啦房东很帅

来个8字型的发发发~~~~~~

小编太赖了直接蹦到木工啦大家见谅啊要勤跑跑哦

阁楼实景图软装还没配套啊

小编会再接再厉的要勤快啊
大家如要看实景图可提前预约可安排看房哦
更多实景图我们会后期补上去滴大家见谅啊
工地在瑶海区铜陵路与大通路交叉华业苑(二手房)
合肥装修公司,合肥睿典装饰为您打造属于您的个性空间!